当前位置: 首页 > 产品中心 > GIR17P
PRODUCT CENTER

产品中心
产品中心
GIR17P
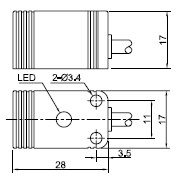
产品图片 Photo 尺寸图 Dimension drawing
特点描述 Feature Description 型号规格 Item Code
采用非接触式检测方式,响应快、频率高
逆极性,浪涌,短路,过载保护
外壳材料:PBT
防护等级IP67(IEC)
 
 
  NPN  NO

GIR17P-F05DNO

GIR17P-08DNO

  NPN  NC

GIR17P-F05DNC

GIR17P-08DNC

  NPN  NO+NC ——
  PNP  NO

GIR17P-F05DPO

GIR17P-08DPO

  PNP  NC

GIR17P-F05DPC

GIR17P-08DPC

  PNP  NO+NC ——
电气接线图 Connection diagram 规格参数 Specification






   安装方式 埋入式        非埋式   
   检测距离

5mm          8mm  

   电源电压 10…30VDC
   外形规格 17*17*28
   输出方式 NPN/PNP NO/NC
   开关点偏移 ≤±10%
   迟滞范围 1…20%
   重复误差 ≤3%
   负荷电流 ≤200mA
   残留电压 2.5V
   消耗电流 ≤10mA
   保护回路 浪涌,过载,短路,逆极性保护
   输出指示 黄色LED
   环境温度 -25…70℃
   环境湿度 35-95%
   开关频率

800 Hz  500 Hz

   防护等级 IP67
   外壳材料 PBT
   接线方式 2米PVC电缆
上一个:GIR18P
下一个:GIA50P
返回>>
© 浙江光洋电器股份有限公司   浙ICP备06031758号-63   网站制作维护:传信网络