当前位置: 首页 > 产品中心 > GIR30P
PRODUCT CENTER

产品中心
产品中心
GIR30P
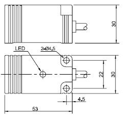
产品图片 Photo 尺寸图 Dimension drawing
特点描述 Feature Description 型号规格 Item Code
非接触式检测方式,安全可靠,无磨损
逆极性,浪涌保护
外壳材料:PBT
防护等级IP67(IEC)
 
 
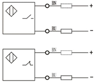
  DC2线NO

GIR30P-F10DLO

GIR30P-15DLO

    
  DC2线NC

GIR30P-F10DLC

GIR30P-15DLC

    
    
    
电气接线图 Connection diagram 规格参数 Specification
   安装方式 埋入式          非埋式  
   检测距离[mm]

10mm               15mm

   设定距离 0…12mm        0…16mm
   外形规格[mm] 30*30*52
   输出方式 NO/NC
   电源电压 10…30VDC
   标准标靶 Fe 45*451t
   开关点偏移[%/Sr] ≤±10%
   迟滞范围[%/Sr] 1…20%
   重复误差 ≤3%
   负荷电流[mA] ≤100mA
   残留电压 6VDC
   消耗电流[mA] ≤1mA
   保护回路 逆极性,浪涌保护
   输出指示灯 黄色LED
   环境温度[℃] -25…70℃
   环境湿度 35-95%RH
   开关频率[Hz]

埋入:500 Hz

非埋:300 Hz

   耐高压 1000V/AC 50/60Hz 60s
   绝缘阻抗 ≥50MΩ(500VDC)
   耐振动 复振幅1.5mm 10…50Hz(X,Y,Z方向各2小时)
   防护等级 IP67
   外壳材料 PBT
   接线方式 2米PVC电缆
上一个:GIR40P
下一个:GIR25P
返回>>
© 浙江光洋电器股份有限公司   浙ICP备06031758号-63   网站制作维护:传信网络