当前位置: 首页 > 产品中心 > GIR18P
PRODUCT CENTER

产品中心
产品中心
GIR18P
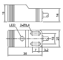
产品图片 Photo 尺寸图 Dimension drawing
特点描述 Feature Description 型号规格 Item Code
采用非接触式检测方式,响应快、频率高
逆极性,浪涌保护
外壳材料:PBT
防护等级IP67(IEC)
 
 
  DC2线NO

GIR18P-F05DLO

GIR18P-08DLO

    
  DC2线NC

GIR18P-F05DLC

GIR18P-08DLC

    
    
    
电气接线图 Connection diagram 规格参数 Specification


   安装方式 埋入式           非埋式   
   检测距离

5mm             8mm  

   电源电压 10…30VDC
   外形规格 18*18*29mm
   输出方式 NO/NC
   开关点偏移 ≤±10%
   迟滞范围 1…20%
   重复误差 ≤3%
   负荷电流 ≤100mA
   残留电压 ≤8V
   消耗电流 ≤1mA
   保护回路 涌,逆极性保护
   输出指示 黄色LED
   环境温度 -25…70℃
   环境湿度 35-95%
   开关频率

500 Hz   300 Hz

   防护等级 IP67
   外壳材料 PBT
   接线方式 2米PVC电缆
上一个:GIR25P
下一个:GIR17P
返回>>
© 浙江光洋电器股份有限公司   浙ICP备06031758号-63   网站制作维护:传信网络