当前位置: 首页 > 产品中心 > PU30
PRODUCT CENTER

产品中心
产品中心
PU30
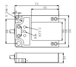
产品图片 Photo 尺寸图 Dimension drawing
特点描述 Feature Description 型号规格 Item Code
宽电压输入,多种输出模式
具有浪涌,逆极性,短路保护功能
外壳材料:铝合金
防护等级IP65(IEC)
 
 
   NPN  NO  
   NPN  NC

 

   NPN  NO/NC PU30-TDNB 3001
   PNP  NO  
   PNP  NC  
   PNP  NO/NC PU30-TDPB  3001
电气接线图 Connection diagram 规格参数 Specification




   外形规格 72*52*16mm   
   反射方式

对射式         

   检测距离 30mm(可调)
   光源 红外线LED(调制)
   输出方式 NPN/PNP NO+NC
   电源电压 10…30VDC
   检测物体类型 Φ2mm以上不透明体
   响应时间 ≤1ms
   负荷电流 ≤200mA
   残留电压 ≤2.5VDC
   消耗电流 ≤15mA
   保护回路 浪涌、逆极性、短路保护
   输出指示 黄色LED
   环境温度 -25…55℃
   耐冲击 500m/s(50G)X,Y,Z各3次
   耐高压 1000V/AC 50/60Hz 60s
   绝缘阻抗 ≥50MΩ(500VDC)
   耐振动 复振幅1.5mm 10…50Hz(X,Y,Z方向各2小时)
   防护等级 IP60
   外壳材料 铝合金
   接线方式 2米PVC电缆
上一个:没有了
下一个:PU15
返回>>
© 浙江光洋电器股份有限公司   浙ICP备06031758号-63   网站制作维护:传信网络