当前位置: 首页 > 产品中心 > GIC40P
PRODUCT CENTER

产品中心
产品中心
GIC40P
产品图片 Photo 尺寸图 Dimension drawing
特点描述 Feature Description 型号规格 Item Code
输出标准模拟信号0-10V,0-20mA
具有逆极性保护、浪涌保护功能
外壳材料:PBT
防护等级IP67(IEC)
 
 
  0-10V+0-20mA

GIC40P-F10LIUQ-M2

GIC40P-15LIUQ-M2

  

 

   
    
    
    
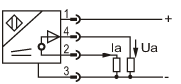
电气接线图 Connection diagram 规格参数 Specification
   安装方式 埋入式        非埋入式   
   检测距离

2…10mm        3…15mm

   外形规格 40*40*66
   输出方式 0…10V+0...20mA
   电源电压 15…30VDC
   标准标靶 ≧4.7KΩ(电压输出)≤470Ω(电流输出)
   开关点偏移 ≤±10%
   回差范围 ≤±5%
   重复精度 ≤±3%
   消耗电流 ≤20mA
   保护回路 浪涌、逆极性保护
   输出指示 黄色LED
   环境温度 -25…70℃
   环境湿度 35-95%
   开关频率 100Hz            50Hz
   防护等级 IP67
   外壳材料 PBT
   接线方式 M12 连接器
上一个:GIC40PL
下一个:GIC40P
返回>>
© 浙江光洋电器股份有限公司   浙ICP备06031758号-63   网站制作维护:传信网络